Fjöldi mynda í öllum flokkum: 60
Heildeildarfjöldi skoðana á öllum myndum: 153,608
Heildeildarfjöldi skoðana á öllum myndum: 153,608
Breiðabalakvísl við Klaustur_6
Upplýsingar um mynd
Lýsing
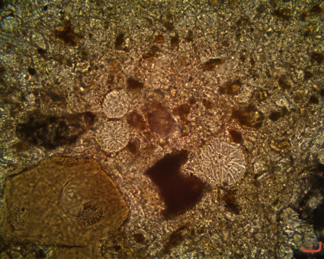
Smásjármyndir úr steypunni í brúnni yfir Breiðabalakvísl. Nú hafa myndast hringlaga kristallar í holrýmum þar sem áður var vatn
Dags
Mánudagur, 05 mars 2018
Heimsóknir
2737
Downloads
1061
Meta
Engin atkvæði
Skráarstærð
153.06 KB (400 x 320 px)
Höfundur
Engin gögn
Skráarstærð upphaflegrar myndar
118.54 KB (640 x 512 px)
Myndagagnrýni
Sýna þessa mynd í spjallflokkum (BBcode)
Hafa mynd með:
Tengja mynd:
Senda til Vinar
Vinsamlegast skráðu þig fyrst inn...
Fjöldi mynda í öllum flokkum: 60
Umsagnir um þessa mynd